Parcourez nos categories pour trouver le materiel adapte a vos besoins.
Commencer mes achats
Parcourez nos categories pour trouver le materiel adapte a vos besoins.
Commencer mes achatsS2.23353110B5
Description
Moteur électrique MMD 90S4 1,1KW/1,5CV, alimentation monophasé 220V, 1420Tr/min (50Hz), 6,62A, fixation à bride à trous lisses (B5), taille 90 en aluminium, avec condensateur permanent et condensateur de démarrage pour des applications à fort besoin de couple au démarrage.
- Boîte de raccordement en aluminium
- Fonctionnement possible dans les deux sens de rotation
Moteur monophasé B5 1.1 KW 1500 tr/min HA 90 230V MMD ALMO
Moteur électrique MMD 90S4 1,1KW/1,5CV, alimentation monophasé 220V, 1420Tr/min (50Hz), 6,62A, fixation à bride à trous lisses (B5), taille 90 en aluminium, avec condensateur permanent et condensateur de démarrage pour des applications à fort besoin de couple au démarrage.
- Boîte de raccordement en aluminium
- Fonctionnement possible dans les deux sens de rotation
* Champs requis
Besoin d'une aide ou d'un conseil ? 03 52 76 01 10
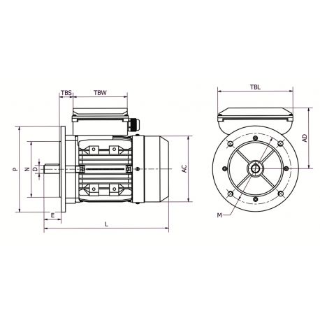
| Tension d'alimentation | 230V AC |
| Puissance | 1.1 KW / 1.5 CV |
| Vitesse | 1500 tr/min, 4 pôles |
| Courant nominal (Ampère) | 6,62 A |
| Hauteur d'axe | 90 mm |
| Diamètre d'arbre | Ø24x50mm |
| Forme de construction | B5: Bride à trous lisses |
| Indice de protection | IP55 |
| Finition | Aluminium |
| Isolation | Classe F |
| Fréquence | 50 Hz |
| Pattes | Non |
| Poids | 13,8 kg |
| Type de condensateur | Condensateur permanent et condensateur de démarrage |
| Condensateur permanent (μF) | 35 |
| Condensateur de démarrage (μF) | 150 |
| Rotation possible dans les 2 sens | Oui |
| Type d'application | Moteur adapté à l'entraînement de machines dont le couple résistant au démarrage est important (par ex. compresseur, scie, bétonnière, pont élévateur, combiné à bois...) |
Le moteur électrique monophasé MMD 90S4 1,1KW soit 1,5CV est alimenté en 220V et tourne à 1420 Tr/min sous une fréquence de 50Hz. Ce moteur électrique de hauteur d'axe 90mm possède un arbre claveté de 24x50mm, la clavette est incluse avec le moteur. Ce moteur possède 2 condensateurs (inclus avec le moteur) permettant un démarrage avec un couple égal ou supérieur à 200% du couple assigné, ce qui est très utile pour l'entrainement de machines dont le couple résistant au démarrage est important (par ex. : bétonnière, compresseur...). Les condensateurs sont logés dans la boite à bornes.
Ce moteur électrique 220V se fixe par bride à trous lisses B5 FF165.
![]() |
![]() |


La vidéo ci-dessous présente un moteur équivalent au moteur ALMO. La particularité du moteur ALMO est qu'il possède une boite à bornes en aluminium et une peinture de couleur grise (RAL 9006).
Tous les moteurs ALMO asynchrones monophasés présentent un design conforme aux normes IEC. Ces moteurs électriques se branchent exclusivement sur une alimentation 220V=230V monophasé. Les moteurs monophasés Almo ont une classe d'isolation F pour supporter un échauffement maximal de 155°C et une température ambiante de 40°C. Degrés de protection IP55 assurant une étanchéité contre l'entrée de poudre et de jets d'eau dans n'importe quelle direction.
Tous nos moteurs électriques monophasés sont facile à installer et peuvent tourner dans les deux sens de rotation (horaire et anti-horaire) grâce au bornier équipé de barrettes.
![]() |
![]() |
Si vous souhaitez inverser le sens de rotation de manière aisé grâce à un boitier déporté, sans à modifier le câblage, nous pouvons vous proposer nos inverseurs de sens de rotation pour moteurs monophasés.
Normes:
Les moteurs sont conformes aux normes:
- Machines électriques tournantes valeurs nominales et caractéristiques de fonctionnement: IEC 60034-1
- Degrés de protection: IEC 60034-5
- Modes de refroidissement: IEC 60034-6
- Formes de construction: IEC 60034-7
- Marquage des bornes et sens de rotation: IEC 60034-8
- Limites du bruit: IEC 60034-9
- Caractéristiques de démarrage: IEC 60034-12
- Vibrations mécaniques: IEC 60034-14
- Tensions nominales: IEC 38
Construction: La carcasse, les flasques et la boite à bornes sont en alliage d’aluminium. Les portées de roulement sont chemisées acier à partir de la hauteur d’axe 90.
Paliers: Les moteurs sont équipés de roulements à billes de marque SKF, NSK ou NTN, type ZZ, jeu C3, graissés à vie. La durée de vie nominale minimale sous utilisation en pleine charge est de 20.000 heures de fonctionnement et peut dépasser 40.000 heures lors d’un montage horizontal et un accouplement direct à la machine entraînée.
La durée de vie de la graisse est d’environ:
- 10.000 heures de fonctionnement pour les moteurs 2 pôles.
- 20.000 heures de fonctionnement pour les moteurs 4 pôles et plus. Une rondelle élastique (de pré-charge) est montée côté opposé à l’entraînement.
Refroidissement: Les moteurs sont auto-ventilés (IC411) et sont munis de ventilateurs radiaux en matière plastique qui assurent le refroidissement indépendamment du sens de rotation.
Vibrations: Les rotors sont équilibrés dynamiquement avec une demi clavette. Le niveau d’équilibrage correspond à la classe A.
Niveau acoustique: Le niveau de bruit indiqué correspond conformément à la norme EN 60034-9 à la valeur moyenne de la pression acoustique LpA en dB(A) mesurée à 1 m autour de la surface de la machine.
Peinture: Les moteurs sont protégés par une peinture de base polyuréthane RAL 9006 – aluminium blanc.
Puissance assignée: Les puissances indiquées correspondent à un service continu (S1), rapportées à la tension assignée, à une fréquence de 50 Hz, une température ambiante maximum de 40°C et une altitude d’installation maximum de 1000 m.
Couple de démarrage: À condensateur de démarrage et condensateur permanent (référence MMD) avec un couple de démarrage égal ou supérieur à 200% du couple assigné. Le condensateur de démarrage est découplé par un coupleur centrifuge lorsque le moteur atteint environ 80% de sa vitesse. Ces moteurs sont adaptés à l’entraînement de machines dont le couple résistant au démarrage est important (Par ex. compresseur, ...)
Pour votre installation nous vous conseillons :
Promo -15%
Livraison offerte
En stock
Promo -15%
Livraison offerte
En stock
Promo -15%
En stock
Promo -15%
En stock
Promo -15%
En stock
Promo -15%
En stock
Promo -15%
En stock
Promo -15%
En stock
Promo -15%
Livraison offerte
En stock
Promo -15%
Livraison offerte
En stock
Promo -15%
Livraison offerte
En stock
Promo -15%
En stock
Promo -15%
En stock
Promo -15%
En stock
Promo -15%
En stock
Promo -15%
En stock
Promo -15%
En stock
Livraison offerte
En stock
Promo -15%
Livraison offerte
En stock
Promo -15%
Livraison offerte
En stock
Promo -15%
Livraison offerte
En stock
Promo -15%
En stock
Promo -15%
En stock
Promo -15%
En stock
Promo -15%
En stock
Promo -15%
En stock
Promo -15%
Livraison offerte
En stock
Promo -15%
Livraison offerte
En stock
Promo -15%
Livraison offerte
En stock
Promo -15%
Livraison offerte
En stock