Livraison offerte dès 360€TTC
Vous êtes une administration ? - Sachez que vous pouvez régler votre commande par mandat administratif directement en ligne.
S2.23340810B35
Description
Le moteur monophasé ALMO MMP (condensateur permanent) 80K2 carcasse aluminium se caractérise par:
- La conformité aux normes IEC
- Un degré de protection IP 55
- Une classe d’isolation F, échauffement suivant classe B
- Boîte de raccordement en aluminium ou plastique (selon arrivage)
- Un Fonctionnement possible dans les deux sens de rotation
Moteur monophasé B35 0.75 KW 3000 tr/min HA 80 230V MMP ALMO
Le moteur monophasé ALMO MMP (condensateur permanent) 80K2 carcasse aluminium se caractérise par:
- La conformité aux normes IEC
- Un degré de protection IP 55
- Une classe d’isolation F, échauffement suivant classe B
- Boîte de raccordement en aluminium ou plastique (selon arrivage)
- Un Fonctionnement possible dans les deux sens de rotation
* Champs requis
Besoin d'une aide ou d'un conseil ? 03 52 76 01 10
| Tension d'alimentation | 230V AC |
| Puissance | 0.75 KW / 1 CV |
| Vitesse | 3000 tr/min, 2 pôles |
| Courant nominal (Ampère) | 4,87 A |
| Hauteur d'axe | 80 mm |
| Diamètre d'arbre | Ø19x40mm |
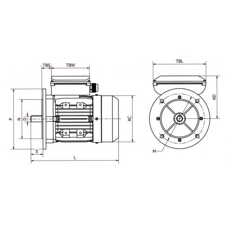
| Forme de construction | B35: Pattes et bride à trous lisses |
| Indice de protection | IP55 |
| Finition | Aluminium |
| Isolation | Classe F |
| Fréquence | 50 Hz |
| Pattes | Oui |
| Pattes amovibles et démontables | Oui |
| Poids | 9.6 kg |
| Type de condensateur | Condensateur permanent |
| Rotation possible dans les 2 sens | Oui |
| Type d'application | Moteur adapté à l'entrainement de machines dont le couple résistant au démarrage est faible (par ex. pompe centrifuge, ventilateur, perceuse à colonne...) |
Normes:
Les moteurs sont conformes aux normes:
- Machines électriques tournantes valeurs nominales et caractéristiques de fonctionnement: IEC 60034-1
- Degrés de protection: IEC 60034-5
- Modes de refroidissement: IEC 60034-6
- Formes de construction: IEC 60034-7
- Marquage des bornes et sens de rotation: IEC 60034-8
- Limites du bruit: IEC 60034-9
- Caractéristiques de démarrage: IEC 60034-12
- Vibrations mécaniques: IEC 60034-14?
- Tensions nominales: IEC 38
Construction: La carcasse et les flasques sont en alliage d’aluminium. Les portées de roulement sont chemisées acier à partir de la hauteur d’axe 90. Les pattes sont vissées à la carcasse et peuvent? également être fixées sur le côté droit ou sur le côté gauche (trous taraudés dans la carcasse d’origine).
Paliers: Les moteurs sont équipés de roulements à billes de marque SKF, NSK ou NTN, type ZZ, jeu C3, graissés à vie. La durée de vie nominale minimale sous utilisation en pleine charge est de 20.000 heures de fonctionnement et peut dépasser 40.000 heures lors d’un montage horizontal et un accouplement direct à la machine entraînée.
La durée de vie de la graisse est d’environ:
- 10.000 heures de fonctionnement pour les moteurs 2 pôles.
- 20.000 heures de fonctionnement pour les moteurs 4 pôles et plus. Une rondelle élastique (de pré-charge) est montée côté opposé à l’entraînement.
Refroidissement: Les moteurs sont auto-ventilés (IC411) et sont munis de ventilateurs radiaux en matière plastique qui assurent le refroidissement indépendamment du sens de rotation.
Vibrations: Les rotors sont équilibrés dynamiquement avec une demi-clavette. Le niveau d’équilibrage correspond à la classe A.
Niveau acoustique: Le niveau de bruit indiqué correspond conformément à la norme EN 60034-9 à la valeur moyenne de la pression acoustique LpA en dB(A) mesurée à 1 m autour de la surface de la machine.
Peinture: Les moteurs sont protégés par une peinture de base polyuréthane RAL 9006 – aluminium blanc.
Puissance assignée: Les puissances indiquées correspondent à un service continu (S1), rapportées à la tension assignée, à une fréquence de 50 Hz, une température ambiante maximum de 40°C et une altitude d’installation maximum de 1000 m.
Couple de démarrage: À condensateur permanent (référence MMP) avec un couple de démarrage égal ou supérieur à 50% du couple assigné. Ces moteurs sont adaptés à l’entraînement de machines dont le couple résistant au démarrage est faible (par ex. pompe centrifuge, ventilateur, ...)
Pour votre installation nous vous conseillons :
Livraison offerte
En stock
Livraison offerte
En stock
Livraison offerte
En stock
Livraison offerte
En stock
Livraison offerte
En stock
Livraison offerte
En stock
Livraison offerte
En stock
Livraison rapide90% des commandes expédiées le jour même ou le lendemain
Stock permanent+ de 5000 références
en stock
PaiementsSécurisés et
en plusieurs fois
Service client et SAV94% de clients
satisfaits

Retours14 jours
pour changer d'avis




