Parcourez nos categories pour trouver le materiel adapte a vos besoins.
Commencer mes achats
Parcourez nos categories pour trouver le materiel adapte a vos besoins.
Commencer mes achatsN17.9600D-1T3-00220G
Description
Variateur de fréquence mono 220V tri 380V pour alimenter un moteur asynchrone triphasé 2,2kW 5A en 380V.
- Alimentation d'entrée 220V monophasé / Tension sortie ver le moteur 380V (triphasé).
- Attention au couplage du moteur. Pour un moteur 230/400V, il faudra coupler le moteur en étoile. Pour un moteur 400/690V, il faudra coupler le moteur en triangle.
- Manuel utilisateur français dans l'onglet téléchargement
Prix unitaire :
Date de disponibilité: 09-05-2016
Variateur de vitesse mono/tri pour moteur triphasé 2,2kW 5A IP20 - Sortie 380V-3AC
Variateur de fréquence mono 220V tri 380V pour alimenter un moteur asynchrone triphasé 2,2kW 5A en 380V.
- Alimentation d'entrée 220V monophasé / Tension sortie ver le moteur 380V (triphasé).
- Attention au couplage du moteur. Pour un moteur 230/400V, il faudra coupler le moteur en étoile. Pour un moteur 400/690V, il faudra coupler le moteur en triangle.
- Manuel utilisateur français dans l'onglet téléchargement
* Champs requis
Besoin d'une aide ou d'un conseil ? 03 52 76 01 10
| Type de produit | 1. Variateur de fréquence mono/tri |
| Tension d'alimentation | 220-230V monophasé |
| Tension de sortie | 380-400V triphasé |
| Puissance | 2.2 KW / 3 CV |
| Courant d'entrée | 24 A |
| Courant de sortie | 5 A |
| Indice de protection | IP20 (montage dans un coffret étanche) |
| Calibre de disjoncteur recommandé | 40 A |
| Type et section câble d'alimentation | H07RNF 3G2,5mm2 |
| Type et section câble de sortie | H07RNF 4G2,5mm2 |
| Fréquence de sortie | 0 à 650 Hz |
| Mode de contrôle | Scalaire (V/F) et contrôle vectoriel (VVW) |
| Capacité de surcharge en courant | 150% pendant 60 secondes |
| Température ambiente | -10°C à +40°C |
| Protocole de communication | Modbus RTU (RS-485), Profibus-DP, CANlink et CANopen |
| Potentiomètre en façade | Oui |
| Paramétrage à partir d'un PC | Non |
| Fonction sécurité STO | Non |
| Type de montage | Sur platine |
| Dimensions (LxHxP) | 82x155x135mm |
| Poids | 1,3 Kg |
| Gamme | 9600D |
| Marque | EM DISTRIBUTION |
Le variateur mono-tri 380V 9600D-1T3 est un variateur de vitesse adapté aux moteurs triphasés jusqu'à 2,2KW, courant nominal de 5A. Ce variateur permet d'alimenter un moteur triphasé 380V directement sur un réseau domestique monophasé 220V. Compact et facile d'utilisation, ce variateur est conçu pour alimenter les moteurs électriques triphasés d'applications simples telles que les perceuses à colonne, mélangeurs/agitateurs, ponts élévateur, compresseurs, machines à pneus, pompes de piscine, etc. Il vous sera très utile si vous ne disposez pas d'un réseau triphasé à votre habitation.
Le variateur de fréquence sortie 380V possède un degrés de protection IP20, il est fortement conseillé de l'installer dans un coffret électrique étanche en ABS ventilé. Pensez à laisser un espace suffisant de chaque côté du variateur afin de le laisser respirer à l'intérieur du coffret.
Ce variateur de vitesse monophasé triphasé intègre également une protection thermique assurant une protection optimale du moteur (les paramètres moteurs seront à renseigner dans le variateur, cf manuel d'utilisation). L'installation d'un disjoncteur moteur n'est donc pas nécessaire.
Vous devrez également prévoir un disjoncteur bipolaire Courbe D de 40A en amont du variateur pour protéger la ligne, un interrupteur différentiel de Type A, B, Asi, Ahi ou F pour la protection des personnes, un câble type HO7RNF 3G2,5mm2 pour alimenter votre variateur et un câble HO7RNF 4G2,5mm2 pour raccorder le variateur au moteur.
Conditions environnementales à éviter :
- Exposition directe au soleil, à la pluie, une forte humidité, l'air de la mer.
- Gaz ou liquides inflammables ou corrosifs.
- Vibrations excessives.
- Poussière, particules métalliques ou brouillard d'huile.
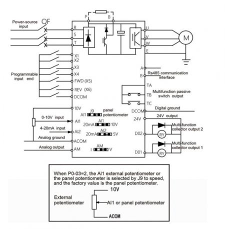
Le variateur de fréquence mono tri 9600D contient des entrées/sorties numérique et analogique, vous permettant ainsi de câbler et déporter des boutons poussoirs (Marche, arrêt), boutons à 2 ou 3 positions et potentiomètre directement sur votre machine.
Il est possible de déporter l'intégralité des commandes du variateur VFR-9600D grâce à une console de commande RJ45 (vendue séparément). Il vous sera facile de l'installer en façade d'armoire électrique ou bien tout simplement de déporter les commandes prêt de votre machine.
Vous pourrez ainsi :

Pour utiliser le potentiomètre de la commande déportée, il faut :
- Modifier le paramètre P0-03 (Main frequency source X selection) = 2
- Placer le cavalier J9 sur "panel potentiometer" comme sur le schéma ci-dessous

Pour votre installation nous vous conseillons :
Livraison offerte
En stock
Promo -40%
En stock
Promo -15%
Livraison offerte
En stock
En stock
En stock
En stock
Promo -45%
Promo -45%
En stock
Promo -45%
Promo -40%
Livraison offerte
En stock
Livraison offerte
Livraison offerte
En stock
Livraison offerte
En stock
Livraison offerte
En stock
Livraison offerte
En stock
Livraison offerte
En stock
En stock
Promo -45%
En stock